iPhone6真的會被禁售嗎?蘋果侵權風波頻發

2016-06-20 13:02:00 來源:互聯網作者:adizi9 人氣: 次閱讀 283 條評論

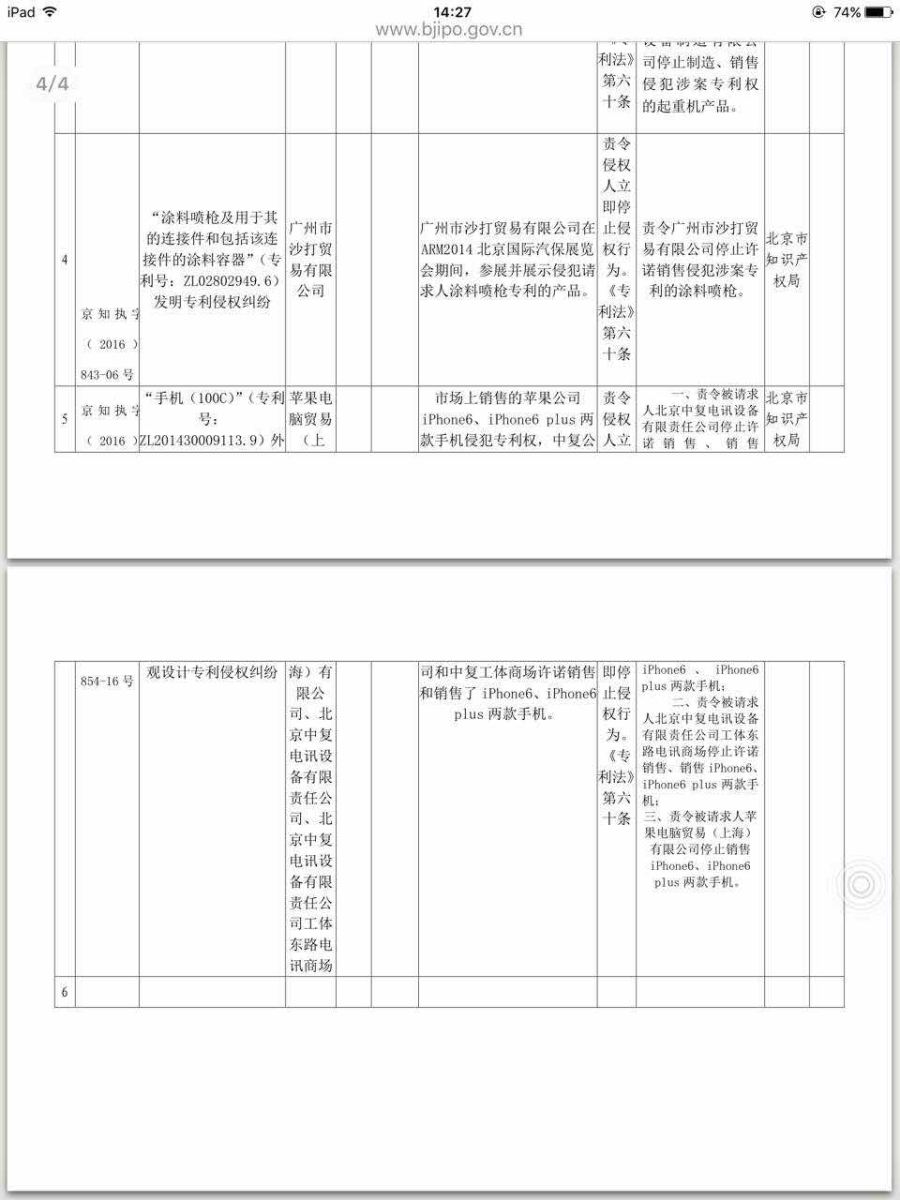
近日,蘋果公司再陷侵權風波,旗下兩款產品Phone6和iPhone6Plus被北京知識產權局在專利侵權糾紛處理決定書》中裁定,手機的外...

近日,蘋果公司再陷侵權風波,旗下兩款產品Phone6和iPhone6 Plus被北京知識產權局在《專利侵權糾紛處理決定書》中裁定,手機的外...

近日,蘋果公司再陷侵權風波,旗下兩款產品Phone6和iPhone6 Plus被北京知識產權局在《專利侵權糾紛處理決定書》中裁定,手機的外觀設計侵犯了佰利營銷服務公司的專利產品,責令蘋果公司停止銷售iPhone6和iPhone6 Plus兩款機型。

目前蘋果手機已經向上一級法院申請行政復議,如果最終維持原判,蘋果將面臨在中國大陸不得銷售iPhone6以及iPhone6 Plus的情況。這是繼十年前iPad名字使用權訴訟后,蘋果再次陷入侵權風波。

在上一起侵權事件中,蘋果敗訴,最后與原告唯冠科技(深圳)達成和解,以3.5萬英鎊獲得iPad在全球的商標。而與上一起訴訟不同的是,這次訴訟案最終誰將勝訴,還需等待上一級法院裁決。

蘋果涉嫌侵權外觀專利

據了解,此次蘋果被告侵犯了手機100c的外觀專利,該項專利持有人為深圳佰利營銷服務公司。根據北京知識產權局信息顯示,同為成為被告的還有北京中復電訊設備有限責任公司及旗下工體東路電訊商場。

第一財經記者在企業工商信息系統天眼查上搜索到佰利營銷服務公司的相關信息,其法人代表為徐國祥。而100c手機為深圳百分之百有限公司(下稱“百分之百”)旗下手機,根據專利號檢索發現,此次蘋果涉嫌侵權的外觀設計人正是百分之百法人徐國祥。

徐國祥曾在2006年創建深圳市百分之百數碼科技有限公司,旗下的100c在當時作為TD手機銷售。2013年,百分之百被百度收購,走上巔峰。此后,由于通訊技術提升加上小米互聯網手機的興起,手機市場競爭加劇,100c手機逐步被市場淘汰。目前,公司已經處于破產邊緣。有業內人士告訴記者,曾嘗試聯系徐國祥,但其電話無法接通。

引人關注的是此次蘋果提請復議一旦被駁回維持原判,那么iPhone6以及iPhone6 Plus將在國內面臨禁售的境遇。目前,中國已經成為蘋果最重要的市場,去年蘋果CEO庫克多次到訪中國,并在近期對中國租車平臺滴滴出行投資10億美元。而此次仲裁決定將極大影響到蘋果產品在中國市場的表現。,受此消息影響,近日蘋果股價嚴重下滑。

“蘋果不會容忍iPhone6在北京禁售,更不會容忍在全國禁售,一旦蘋果行政復議無法成功,和解是唯一渠道。”手機聯盟秘書長老杳表示。

此次被告之一的中復通訊是蘋果在國內重要的銷售渠道。中復官方資料顯示,近幾年,公司的年均銷售額達到26億元,在北京的通訊產品零售市場占據著近1/4的銷售份額。

而由于公司目前已經沒有新的資金進入,對于佰利和百分之百而言,和解費或許也是此次狀告蘋果的最重要目的。

您可能感興趣的文章

相關文章